If the current is floating it's

ELECTRICS

Battery and more

For the supply of sufficient energy, we decided on a maximum variable setup: charging while driving, solar charging while standing autonomously and charging via shore power. We inquired in advance about the required components as well as advantages and disadvantages.

In the battery technology, we have installed a high-quality setup consisting of 100Ah lead acid starter battery and a 100Ah lithium iron phosphate battery. We were happy to accept the significantly more expensive price of the lithium battery by compensating for weight and space.

Battery technology

 

Batterie
2*100Ah
Booster

Votronic VCC 1212-30

 
 
LiFePo4 battery
 
Compared to conventional lead acid batteries (normal, AGM, solar), the lithium iron phosphate battery has clear advantages in terms of charging speed and longevity. This type of battery can be compared to a notebook battery and is specially designed to be discharged to almost 0% of its capacity. This takes place without lasting damage to the battery. Even charging the battery temporarily, i.e. not to 100%, does not damage it.
The energy efficiency of a charging cycle of a LiFePo4 battery (lithium-ion battery) is 92%.
 
Why a LiFePo4?
  • fits as a secondary battery under the driver's seat
  • significantly smaller than comparable standard batteries with the same Ah
  • 75% weight saving
  • high cycle stability
  • low self-discharge

What does a charge booster bring?
 
A charging booster is there to provide the correct charging voltage for the charging process of a LiFePo4 via the alternator. With the help of the special charging program, you can gently charge your battery while driving and always with the correct voltage. The condition of the battery in the Vortronic VCC 1212-30 is constantly monitored via an extra temperature sensor. The battery type is selected using jumpers.
 
circuit diagram

We carried out the planning of the electrical installation under the motto Safety first. It is particularly important that you think in advance about which line cross-sections and fuses have to be installed
In principle, the plus line is always protected.
We have put our circuit diagram for you to download here:

Electrical wiring diagram

 


SOLAR

We have a total of 195 Wh solar modules in use to ensure a secure energy supply during the camping without using primary energy. Since the location Germany is important to us for our products, we looked for a supplier from Germany and found what we were looking for at Wattstunde.

The modules consist of a mobile and flexible 100Wh solar case and a flexible 95Wh panel.

  What is special about our setup is that we are the first to have an external connection in the fender of the Defender to connect the mobile solar panel. Here we used the existing plastic cover.

  There is also an IP68 junction box under the cover, which is glued directly to the wheel housing with Sikaflex. Here we have connected both panels in series with each other, with the help of Wago terminals this is quickly done.

COMPONENTS

 

Mobile Panel
WATTSTUNDE® 100W Solarkoffer ULTRA LIGHT
FixPanel
WATTSTUNDE® WS95EFX
Solarladeregler
Victron SmartSolar 100/20 MPPT
 
Undervoltage protection
 
How do I use undervoltage protection?
 
When using the Victron solar charge controller, we connected all consumers, with the exception of the auxiliary heater, to the "Load" output of the charge controller. This has the advantage that you do not have to install an additional voltage monitor and daily consumption can be documented via the Victron app. You can also see directly how much current you take from the battery and how high the battery voltage is.
 
What about the Auxiliary heating?
 
The auxiliary heating from Webasto has a higher current consumption during start-up than the maximum 20A permitted in the charge controller. The background is that the glow plug is heated for the ignition process.

As a result, each time the heater is switched on, the voltage monitor disconnects the circuit and the heater cannot start. As a solution, only the auxiliary heater remains to be connected directly to the on-board battery, see also in our circuit diagram.

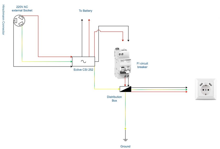
230V & Shore Power

Many consumers would like to be supplied with alternating current and 230V to wake up or to be charged. An Ective 2500W sine converter is installed to cover the energy hunger of laptops, drones and kitchen accessories.

In addition to a so-called network priority circuit, i.e. operation of the converter via shore power instead of conversion from the battery, our converter also offers a charging program for the battery.

We gratefully accept the battery charging program and can therefore easily maintain the lead battery in winter.

  For the connection of shore power we have installed a waterproof plug connection from Hirschmann instead of a space-consuming CEE socket.

COMPONENTS

Stromanschluss
Hirschmann 934-124-100
Sinus Converter
ECTIVE CSI252
FI-Schutzschalter
Schneider Electric FI-LS-Kombination 16A/0,03A
 
RCD protection circuit

Safety First and that's why we have installed an FI that saves our lives if a device or cable breaks. The small switch is integrated directly into the circuit to our sockets. We cut the supply line to the voltage transformer socket and installed an additional small junction box. In this junction box we have combined the earthing as well as the plus and minus poles with Wago terminals.

We screwed the grounding directly to a bare spot on the vehicle with 2.5mm² and a cable lug, e.g. the screw connections of the B-pillar. The ground connection on the housing of the voltage converter is bridged and does not have to be connected again separately.
 The connection of the FI is very simple, you just connect the cables that come from the sockets on one side and the plug that goes into the voltage converter on the opposite. You can test whether you have done everything correctly by switching on the system and pressing the FI test switch, which triggers you have successfully connected everything.

You can also download the connection diagram here.

ANY QUESTIONS? CONTACT US!

We use cookies on our website. Some of them are essential for the operation of the site, while others help us to improve this site and the user experience (tracking cookies). You can decide for yourself whether you want to allow cookies or not. Please note that if you reject them, you may not be able to use all the functionalities of the site.

X

Right Click

No right click